
FANUC機器人 R-30iB Compact Plus數字輸入/輸出信號規格詳情如下:
外圍設備接口
(1) 外圍設備接口的輸出信號規格(源點型信號輸出)
(a) 連接例
(b) 電氣規格
驅動器ON時最大負載電流: 200mA(包含瞬時)
驅動器ON時飽和電壓: 1.0Vmax
耐壓: 24V±20%(包含瞬時)
驅動器OFF時流出漏電流: 100μA
(c)作為輸出信號的外部電源,應提供如下所示的電源。
電源電壓: +24V±10%
電源電流: 每一塊本印刷電路板的(包含瞬時的最大負載電流的總和在+100mA以上)
通電時機: 與控制裝置同時,或在其之前
電源斷開時機: 與控制裝置同時,或在其之后
(d)火花抑制器二極管
額定反峰值擊穿電壓: 100V以上
額定有效正向電流: 1A以上
(e)有關輸出信號用的驅動器
在驅動器元件內對每1個輸出信號監視其電流,檢測出過電流時,將該輸出置于OFF。過電流所引起的輸出OFF,由于其已經OFF而不再為過電流狀態,恢復為ON狀態。因此,在接地故障或過負載狀態下,該輸出將反復ON/OFF操作。這樣的狀態在連接沖擊電流大的負載時也會發生。
此外,驅動器元件內還備有過熱檢測電路,在輸出的接地故障等而過電流狀態持續、元件內部溫度上升的情況下,將元件的所有輸出都置于OFF。然而OFF狀態會被保持下來,但在元件內部溫度下降后,通過進行控制裝置電源的ON/OFF操作即會恢復。
(f) 使用時的注意事項
請勿使用機器人側的+24V電源。
直接向繼電器、電磁閥類施加負載時,應將防反電動勢二極管與負載并聯連接起來。
當連接指示燈點亮時會發生沖擊電流的負荷時,請設置保護用電阻。
(g)適用信號
主板 JRM18 的輸出信號
[CMDENBL、FAULT、BATALM、BUSY、DO101-112]
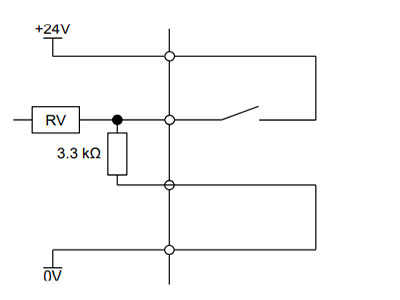
(2) 外圍設備接口的輸入信號規格
(a) 連接示例(+24V公用時)

(b) 接收機的電氣規格
類型: 接地型電壓接收機
額定輸入電壓: 接點“閉”+20V~+28V 接點“開” 0V~+4V
最大輸入外加電壓: DC+28V
輸入阻抗: 約3.3kΩ
響應時間: 5~20ms
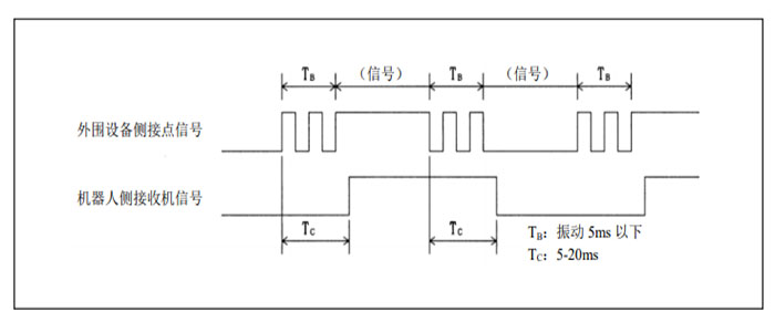
(c)外圍設備側接點規格
電壓和電流: DC24V、0.1A(使用最小負荷在5mA以下的接點。)
輸入信號寬: ON/OFF均在200ms以上
振動時間: 5ms以下
閉電路電阻: 100Ω以下
開電路電阻: 100kΩ以上
(d) 使用時的注意事項
供應給接收機的電壓,應使用機器人側的+24V電源。
但是,在機器人側的接收機部位,必須符合上述信號規格。
(e) 適用信號
主板 JRM18 的輸入信號
[XHOLD、RESET、START、ENBL、DNS1-DNS4、DI101-DI112]
聯系人:劉工
手機:17721351309
電話:021-50157782
郵箱:shygdzi@163.com
地址: 上海市嘉定區博園路858號2號531-532